中華製のよくあるDCDCコンバーターIC用基板を作ったよ
Note
KiCadの設計データはここで公開しています
https://git.moris.day/moris/DCDC_module_MT3406
中華製のよくあるDCDCコンバーターIC?
そもそも「中華製のよくあるDCDCコンバーターIC」とは?という話なんですが、まず中国や台湾のメーカーの電子部品を多く扱うLCSCの商品カテゴリーから、Power Management → DC-DC Convertersと進み、価格の安い順に並び替えます。そして、上位に出くるICのデータシートをいくつか眺めてみましょう。すると、これらの部品には多くの共通点があることがわかります。
おおまかにまとめると
- SOT-23-5パッケージ
- 入力電圧 2V~6V
- 出力電流 1A
- 基準電圧 0.6V
- 推奨のインダクタは2.2µF
- ピン配置も共通

中華製のよくあるDCDCコンバーターICのピン配置
どこかのメーカーのパクりセカンドソースでしょうか
スペックからしてUSBとかの5Vを変換するのに使われるものでしょう。
一つ設計しておけばマイコンボードの電源部分として使いまわせるだろうということで、このICでDCDCコンバーターモジュールを作ろうと思います。最も安いもので一つ3円と激安で買えるので、どうせなら中華製電子部品で揃えて極限まで安価に製作したいです。
中華メーカーのICってすぐに生産終了(もしくは会社ごと消滅)してしまうのであまり専用に設計しようと思えないのですが、ものによっては互換ICをいろんなメーカーが出してたりするので大手メーカーとは違った安心感がありますね。
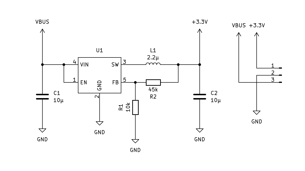
回路
一番安かったAerosemiというメーカーのMT3406を使います。
https://www.lcsc.com/product-detail/C22462728.html
回路図はデータシートほぼそのままです。
今回はマイコンの電源用に3.3V固定で設計しました。

基板デザイン
基板はKiCadで設計しました。
できるだけ小型化したいので、幅は3本のピンヘッダーに合わせて8.6mmに固定し部品を詰め込んで、長さは13mmになりました。
ICの定格は1Aですが、この設計だと定常的に1A流すのはきついかもしれないです。

製造はJLCPCBで他の基板を作ったときの余白に詰め込みました。
異種面付けっぽいですが、Vカットを入れなければ面付けなしの扱いにならないので追加料金はかかりません。
カッターで切断するのでデフォルトの1.6mmでなく0.8mmで製造しました。
到着・組み立て
早速はんだ付け...と言いたいところですが、Vカット無しなのでカッターで頑張って切り分けるところから。
まず、デカめのカッターで両面に切り込みを入れます。コツはしっかり固定すること。そうしないと基板が動いたり刃が滑って配線を切断してしまうことがあります。
切り込みが入ったら、机の端と木の板でしっかり挟み、下へ折り曲げることで2枚に分かれます。
1.6mmだと大変ですが、0.8mmならこの方法で結構綺麗に切れます。

今度こそはんだ付けなんですが... 誰ですか、こんな基板設計した奴は。部品が細かい上にパッドが近くてはんだ付けが難しすぎます。特にICと抵抗の間が狭くてはんだこてを当てにくい...
あれやこれやして30分かけてようやく終わりました。早くリフロー炉買いたい...
完成


手持ちの抵抗の関係で少し高い電圧が出力されています。(0.6V/10k*(10k+47k)=3.42V)
ICのはんだ付けに時間がかかり過ぎて熱で壊れてないか心配でしたが、耐えてくれたようです。
出力のノイズとか調べたいところですが、我が家にはオシロスコープなんて物はないので問題ないと信じておきます。
価格
基板は他の基板に抱き合わせで作ったのでほぼ0円
そのほかの部品もLCSCで可能な限り安く調達し、合計で10.7円で作ることができました。
| 部品 | 価格(¥) | Note |
|---|---|---|
| 基板 | 0 | 余白に面付け |
| ピンヘッダ | 1.2 | 3Pin |
| DCDC IC | 3 | MT3406 |
| インダクタ | 4 | WIP252012S-2R2ML |
| コンデンサ | 2.4 | 10µF 2012M x2 |
| チップ抵抗 | 0.1 | 10k+47k 1005M |
| 人件費 | 0 | 😭 |
| 合計 | 10.7 |
これくらいの価格で作れると、マイコンボードなどでLDOのように気兼ねなく使えるのでいいですね。