USB-PDコントローラーIC CH224
WCHのUSB-PDコントローラー、CH224シリーズを使ってみました。
データシート:
[en] https://www.wch-ic.com/downloads/CH224DS1_PDF.html
[cn] https://www.wch.cn/downloads/CH224DS1_PDF.html
CH224シリーズ
CH224はUSB PDのシンクコントローラーで、簡単な回路でUSB充電器から5Vを超える電圧を取り出すことができます。
CH224シリーズには以下の5種類があります。
| Part No. | Package | I2C | akizuki |
|---|---|---|---|
| CH221K | SOT23-6 | ❌ | ✅ |
| CH224K | ESSOP10 | ❌ | ✅ |
| CH224D | QFN20 | ❌ | ❌ |
| CH224A | ESSOP10 | ✅ | ❌ |
| CH224Q | DFN10 | ✅ | ❌ |
まとめるとI2Cの対応/非対応と足の有無で4種類、追加で簡易版のCH221Kがあるという状況です。流れとしてはCH224D, CH224K, CH221Kがあり、後にアップグレード版のCH224Q, CH224Aが追加されました。
現時点で秋月電子で取り扱いがあるのはCH224KとCH221Kの2種類のみですが、LCSCでは全て取り扱いがありました。
この記事では主に秋月電子での取り扱いのあるCH224KとCH221Kについて解説します。
CH224AのI2Cによる設定は別で記事にする予定です。
使い方
CH224は以下の3つの方法で電圧を設定することができます。
- CFGピンに抵抗 Rsetを接続して設定
- CFG1, CFG2, CFG3のHIGH/LOWの組み合わせで設定(CH221Kを除く)
- マイコンからI2C通信して設定(CH224Q/CH224Aのみ)
Note
電源アダプタが全ての電圧に対応しているとは限りません。対応していない電圧を要求した場合は、対応する最も近い電圧が出力されます。
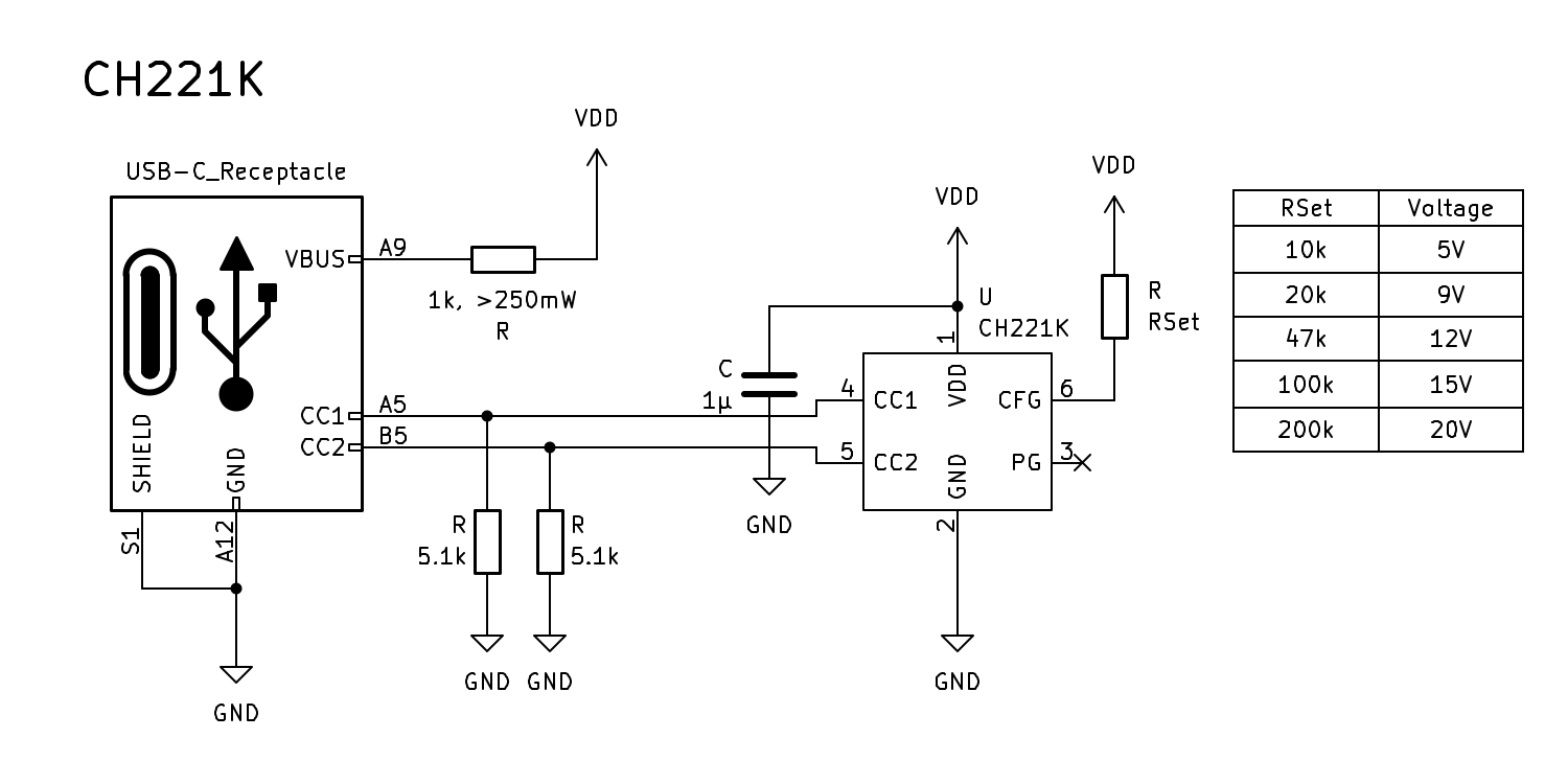
CH221K
CH221Kは最もシンプルなモデルで、電圧の設定は抵抗による設定のみですが必要十分といった感じです。
あと、設定に使う抵抗の値が47kΩや100kΩなどキリの良い数字なのが良いです。

当然ですが、PDで電圧を変えるとIC自身の供給電圧も変わってしまいます。そのためVBUSに1kΩの抵抗を直列接続して過剰な電圧を食わせるようになっています。
ICに掛かる電圧は実測で3.6Vだったのでオームの法則とジュールの法則から計算すると、20Vのときはの熱が抵抗で発生することになります。
一般的なスルーホール抵抗は1/4Wなのでギリオーバーですが、まぁ大丈夫でしょう。プリント基板でSMD抵抗を使うときは注意しましょう。

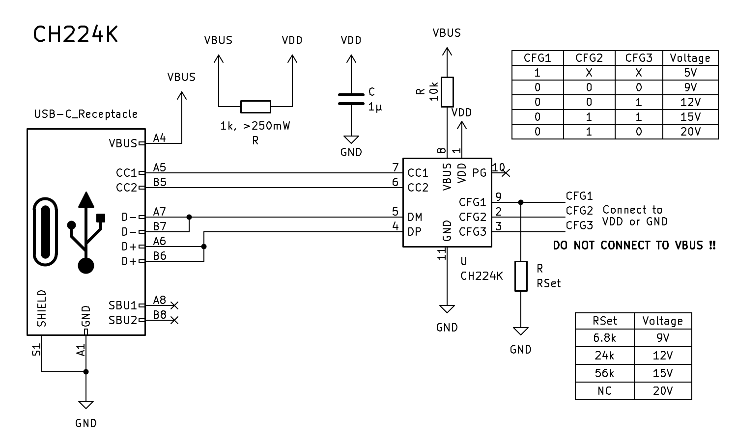
CH224K
CH224KはESSOP10というSOP8よりピンが1列多く底面パッドのある、あまり見ないパッケージなので新たに変換基板を作りました。パッドをはんだ付けするためのスルーホールがあるので、はんだごてのみではんだ付け可能です。
https://git.moris.day/moris/BreakoutBoards/src/branch/main/ESSOP10_CH224

ちなみにUSB-Cの変換基板も公開しています。
https://git.moris.day/moris/BreakoutBoards/src/branch/main/USB-C
接続

DP/DMは後述のQuick Chargeで必要になりますが、PDでは不要なので省略しても問題ありません。
HIGH/LOWによる設定
CH224KはCFG1~3のHIGH/LOWの組み合わせで電圧を設定することができます。マイコンなどで操作する想定でしょうか。
注意点として、CFGをHIGHにするときはUSBのVBUSに接続してはいけません。CFGピンの耐圧は6.5Vなので、VBUSに接続すると、IC自身が要求した電圧で自滅することになります。VDDやマイコンのIOに接続しましょう。
抵抗による設定
抵抗で設定する場合、CH221KではRsetをCFG-VDD間に接続しましたが、CH224KではCFG1-GND間に接続します。
また、抵抗値と電圧の対応も異なるので注意です。
Note
6.8KΩの抵抗なんて手持ちにある訳ないので、キリの良い値の抵抗を接続して挙動を確認したところ以下のようになりました。
4.7kΩ → 9V
10kΩ → 9V
47kΩ → 15V
100kΩ → 20V
Quick Chargeを試す
CH224はPD以外にもQualcommの開発するQuick Charge(QC)という高速充電規格にも対応しています。(CH221Kは非対応)
ダイソーで買った700円のPD充電器のType-AポートがQCに対応しているので試してみました。
QCではDP/DMを通して通信するのでDP/DMの接続が必須です。
あとは回路に変更不要で、そのままQCに対応した充電器に接続すると、設定した電圧が出力されました。
